Một nhóm nghiên cứu đứng đầu là giáo sư Jongyoon Han tới từ Viện Công nghệ Massachusetts (MIT) công bố đã chế tạo thành công một thiết bị di động
Kích thích phát xạ laser CO2 bằng tần số vô tuyến (RF)
Ngày nay, laser CO2 đã được ứng dụng rộng rãi trong nhiều lĩnh vực của đời sống, kinh tế – xã hội, đặc biệt trong lĩnh vực y tế và
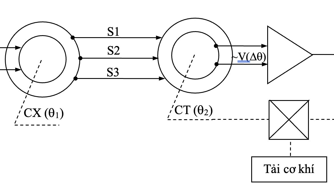
MÔ ĐUN ĐIỀU KHIỂN GÓC ĐỒNG BỘ XENXIN
Xenxin là máy điện xoay chiều loại nhỏ, hoạt động giống như biến áp quay. Tính năng quan trọng nhất của xenxin là cho phép truyền chuyển động góc giữa
Khắc hình ảnh 3D bên trong khối thủy tinh bằng công nghệ laser
1. Giới thiệu chung Hiện nay công nghệ laser đã được ứng dụng rộng rãi trong nhiều lĩnh vực của đời sống, kinh tế, xã hôi, đặc biệt là trong
Ứng dụng thuật toán khử sương mù trong giải pháp giám sát tình trạng giao thông, an ninh
Các hệ thống CCTV (Closed Circuit Televison) được sử dụng ngày một nhiều trong giám sát tình trạng giao thông, an ninh tại một số nhà ga, sân bay hoặc
Phương pháp hồ quang chân không và ứng dụng trong chế tạo màng cứng
Màng cứng, tiếng Anh là Hard Coatings, là thuật ngữ dùng để chỉ các lớp màng phủ trên bề mặt vật liệu kim loại và hợp kim, nhằm tăng độ

